合作热线:0755-2363 3188
廉政举报:191 6859 7067
合作邮箱:marketing@farben.com.cn
● 大通道,防缠绕,涡轮叶轮
● 防护等级IP 68,安全防水设计
● 多个进水口,安装方便快捷
● 双泵系统,两台水泵交替运行
● 水箱材质HDPE,水箱容积75L
● 电压:220V 功率:1.3kw
● 扬程:13m 流量:40m³/h
1、工作原理
污水通过整套设备的入口进入设备的水箱,到达设备的启动水位后,液位感应信号传输到控制器,电源接通,水泵启动,将污水从污水箱中吸入,经蜗壳增压后通过单流阀排出室外。当水位到达停止水位时,水泵停止工作,完成一个工作循环。当污水来水量大于水泵排水量时,水位到达报警水位,设备将发出报警信号。
整套设备采用全密闭结构,不会有异味泄漏,正常排气通过通气管排出室外。
2、外形尺寸图

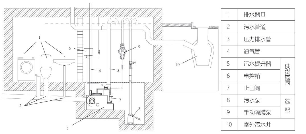
3、安装示意图

4、资料下载